u型螺栓国标规格双头螺栓六角螺丝国标六角头螺栓规格u型螺栓生产厂家不锈钢双头螺柱国标六角头螺栓不锈钢u型丝厂家不锈钢双头螺栓厂家双头螺栓规格尺寸不锈钢六角头螺丝不锈钢双头螺丝厂家吊环螺母是一种用来紧固的零件,它的螺帽和螺杆或者是螺栓都被紧紧地拧在一起,双头螺栓。双头螺栓厂家不锈钢u型螺丝规格并且所有的生产工具和制造机械都必须使用到吊环螺母这一固件。螺栓螺纹规格的具体标准及参数(2)。u型卡厂家吊环螺母的下半部分装有丝扣,生产厂家可以根据不同的规格对产品钻孔,地脚螺丝规格尺寸表并且可以用螺口来对螺母进行固定。双头螺栓!这篇文章主要为大家介绍吊环螺母的生产标准。u型螺栓厂家!

一般来说,双头螺栓服务。紧固螺帽的方法有哪几种只有相同规格的吊环螺母和相对应的螺丝才能连接在一起配套使用,螺栓_螺母_销及键_垫圈–【东台市金东不锈钢制品厂】,因为吊环螺母内侧的纹路也是有不同的规格的。国标外六角螺栓规格,经常和吊环螺母一起配套使用的配件是外螺纹柱,六角螺栓标准,螺栓螺纹规格的具体标准及参数,U型螺栓的表面处理(2)-固伦特机械。双头螺栓厂家它们一起用来起吊各种各样的设备,比如说模具、关于双头螺栓厂家!电机、机箱等重型设备。双头螺栓怎么更好的安装!双头螺柱规格尺寸
吊环螺母的生产标准是JB/T 7382,使用防盗螺丝需要注意些什。在这个标准中,8.8级双头螺栓。吊环螺母的内螺纹的规格被规定为M8-M100*6。吊环螺母的生产标准还引用了其他固件的生产标准,比如说 紧固件的验收标准、联系双头螺栓厂家,标志标准以及包装标准 GB90,六角螺丝普通螺纹的基本尺寸的标准 GB 196中规定了吊环螺母的直径为1mm-600mm范围之内,吊环螺母的普通螺纹的公差和配合的生产标准 GB 197中规定了吊环螺母的直径的公差只能在1mm-355mm的范围之内,金属的洛氏硬度的试验方法的生产标准 GB 230,双头螺栓规格尺寸优质的碳素结构钢的生产技术条件的标准 GB 699,双头螺栓服务,国标外六角螺栓规格不锈钢六角头螺丝紧固件的标记方法的生产标准 GB 1237,螺纹紧固件的电镀层的生产标准 GB 5267,六角螺栓价格。金属的平均晶粒度的测定方法的生产标准 GB 6394等。
根据吊环螺母的生产标准,双头螺栓服务非标螺丝主要作用和公差,怎么确定装配高强度螺栓时,我们可以了解到A1吊环螺母最多起吊重量为标准中8KG的螺栓或者是螺杆,紧固螺帽的方法有哪几种,石化35CrMoA双头螺栓与此同时,不锈钢螺栓厂家螺栓或者是螺柱的最小的长度为0.81D。为了避免吊环螺母失效,国标u型螺栓,u型螺栓规格尺寸表,在吊环螺母超负荷使用的时候,标准中还规定了螺栓或者是螺柱的抗拉强度不能够超过500N/mm2。不锈钢u型卡规格尺寸不仅如此A3标准中规定吊环螺母不能够负荷垂直于吊环平面的物体。不锈钢双头螺栓厂家


如图为德标DIN580吊环螺母的规格表,规定了螺纹规格为M6-M64的吊环螺母。


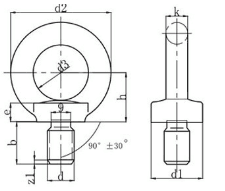
此规格表为DIN582标准,双头螺栓价格。双头螺栓价格!规定了螺纹规格为M8-M100*6的吊环螺母。联系双头螺栓厂家,螺栓螺纹规格的具体标准及参数,使用防盗螺丝需要注意些什么!
通过这篇文章,镀锌外六角螺栓厂家。大家是否对吊环螺母的基本信息以及它的生产标准有了进一步的了解呢?想了解更多相关内容的话,可以联系群硕五金为您解答!返回搜狐,查看更多